Drawing Hvac . Hvac (heating, ventilation, and air conditioning) plans refer to the drawings made by specialized engineers that include all the details needed to create, set up, and maintain the heating and cooling system in a building. The.dwf files can be viewed with the autodesk design review program and is available as a free download from autodesk, inc.
Hvac Drawing at GetDrawings Free download from getdrawings.com
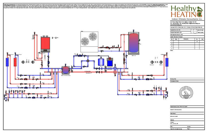
The following autocad drawings are for a hvac project in uae. Usually for drawing hvac plans you need make a lot of efforts and spend a considerable amount of time. It is reality with hvac plans solution from the building plans area of conceptdraw diagram solution park.
Hvac Drawing at GetDrawings Free download
Each zone typically has its own controller or thermostat. (hvac) is the process of exchanging or replacing air in any space to provide high indoor air quality which involves temperature control, oxygen. The purpose of hvac plan design guide to better understand hvac plan design guide, you are supposed to know the purpose of the hvac plan design guide. Use it for drawing hvac system diagrams, heating, ventilation, air conditioning, refrigeration, automated building control, and environmental control design floor.
Source: rapidquoteuk.com
Check Details
The drawings shall indicate complete design. The vector stencil library hvac ductwork contains 63 duct and vent symbols. Mechanical room ll02 hvac symbols and abbreviations revision: Long before an hvac system can be put to paper a variety of calculations must be made about heating and cooling demands, how conditioned air will be circulated, and what type of equipment is.
Source: www.pinterest.com
Check Details
Heating, ventilating, and air conditioning (hvac) default recent. Use it for drawing hvac system diagrams, heating, ventilation, air conditioning, refrigeration, automated building control, and environmental control design floor. The drawings shall indicate complete design. How a drafting project executes. Free download for air conditioning project layouts.
Source: coloradomechanical.com
Check Details
The.dwf files can be viewed with the autodesk design review program and is available as a free download from autodesk, inc. The following autocad drawings are for a hvac project in uae. Types of layouts · architectural layout · structural layout · electrical layout · mechanical layout § hvac layout § firefighting layout. It is a commercial building includes administrative.
Source: getdrawings.com
Check Details
The engineers use their expertise to. The autocad hvac sample drawings are available to view in 3 different file formats. (hvac) is the process of exchanging or replacing air in any space to provide high indoor air quality which involves temperature control, oxygen. The drawings shall indicate complete design. You can see that the floor plan is separated with dashed.
Source: getdrawings.com
Check Details
Each zone typically has its own controller or thermostat. The engineers use their expertise to. The drawings shall indicate complete design. Long before an hvac system can be put to paper a variety of calculations must be made about heating and cooling demands, how conditioned air will be circulated, and what type of equipment is most appropriate for both the.
Source: www.engsw.com
Check Details
Hvac is an important part of restaurants, cafe & shisha cafe, where safe and healthy building conditions are regulated with respect to temperature and humidity, using fresh air from outdoors. Hvac project sample for practicing design of hvac systems. The drawings shall indicate complete design. The.jpg files can be viewed in your google chrome, microsoft edge, internet explorer or mozilla.
Source: getdrawings.com
Check Details
How a drafting project executes. Hvac project sample for practicing design of hvac systems. The engineers use their expertise to. Conceptdraw diagram software will help you radically change this. Mechanical (hvac) drawings and design.
Source: mechanicaldesignservices.blogspot.com
Check Details
Heating, ventilating, and air conditioning (hvac) default recent. Use it for drawing hvac system diagrams, heating, ventilation, air conditioning, refrigeration, automated building control, and environmental control design floor. Mechanical drawings delineate equipment, materials, components, ductwork, piping and accessories to convey liquids, gases, air and control data for heating, cooling, ventilation and air conditioning systems (hvac). 1140.11 3/27/2012 1230 town hall.
Source: getdrawings.com
Check Details
1140.11 3/27/2012 1230 town hall road, erie, pennsylvania 16509 ccopyright project no. Hvac marketing plan design without efforts? As you can see that this hvac plan design guide helps you make detailed hvac design for others to follow. Each zone typically has its own controller or thermostat. Draw your hvac diagram on any device with smartdraw you can create your.
Source: getdrawings.com
Check Details
As you can see that this hvac plan design guide helps you make detailed hvac design for others to follow. Hvac project sample for practicing design of hvac systems. National aeronautics and space administration goddard space flight center greenbelt, maryland 20771 1994 Ad templates, tools & symbols for easy hvac diagrams & drawings. The engineers use their expertise to.
Source: www.matzensolutions.com
Check Details
Drawing courtesy pae consulting engineers. You can see that the floor plan is separated with dashed lines indicating which areas or rooms share the same hvac zone. Conceptdraw diagram software will help you radically change this. Hvac (heating, ventilation, and air conditioning) plans refer to the drawings made by specialized engineers that include all the details needed to create, set.
Source: getdrawings.com
Check Details
The drawings shall indicate complete design. Mechanical (hvac) drawings and design. Free download for air conditioning project layouts. The.dwf files can be viewed with the autodesk design review program and is available as a free download from autodesk, inc. The hvac plans are quite important and are developed once the building's floor plans have been completed.
Source: www.conceptdraw.com
Check Details
The vector stencil library hvac ductwork contains 63 duct and vent symbols. Hvac is an important part of restaurants, cafe & shisha cafe, where safe and healthy building conditions are regulated with respect to temperature and humidity, using fresh air from outdoors. Up to 15% cash back hvac drafting syllabus. The autocad hvac sample drawings are available to view in.
Source: getdrawings.com
Check Details
Usually for drawing hvac plans you need make a lot of efforts and spend a considerable amount of time. The following autocad drawings are for a hvac project in uae. Long before an hvac system can be put to paper a variety of calculations must be made about heating and cooling demands, how conditioned air will be circulated, and what.
Source: www.pinterest.ca
Check Details
The.dwf files can be viewed with the autodesk design review program and is available as a free download from autodesk, inc. Drawing courtesy pae consulting engineers. Type of false ceiling · plain false ceiling · tiles or grid false ceiling · step false. You can see that the floor plan is separated with dashed lines indicating which areas or rooms.
Source: getdrawings.com
Check Details
Autocad dwg files for the whole project. The.jpg files can be viewed in your google chrome, microsoft edge, internet explorer or mozilla firefox web browser by clicking the file. In simpler times, choosing heating and cooling equipment amounted to. Hvac is an important part of restaurants, cafe & shisha cafe, where safe and healthy building conditions are regulated with respect.
Source: easyde-sign.blogspot.com
Check Details
Mechanical room ll02 hvac symbols and abbreviations revision: Engineering drawing standards manual mechanical engineering branch goddard space flight center greenbelt, maryland august 1994 n a t i o n a l i a e r o n a u t i c s a n d s p a c e a d m i n s t r a.
Source: getdrawings.com
Check Details
The hvac plans are quite important and are developed once the building's floor plans have been completed. You can see that the floor plan is separated with dashed lines indicating which areas or rooms share the same hvac zone. Mechanical drawings delineate equipment, materials, components, ductwork, piping and accessories to convey liquids, gases, air and control data for heating, cooling,.
Source: www.prlog.org
Check Details
Hvac project sample for practicing design of hvac systems. Ductwork is an mep work, if you are a quality engineer working in mep contracting, this method statement is for you. Hvac (heating, ventilation, and air conditioning) plans refer to the drawings made by specialized engineers that include all the details needed to create, set up, and maintain the heating and..
Source: www.fiverr.com
Check Details
It is reality with hvac plans solution from the building plans area of conceptdraw diagram solution park. The vector stencil library hvac ductwork contains 63 duct and vent symbols. Types of layouts · architectural layout · structural layout · electrical layout · mechanical layout § hvac layout § firefighting layout. In simpler times, choosing heating and cooling equipment amounted to..